Drosselrückschlagventil 45l/min - kompakte Bauform
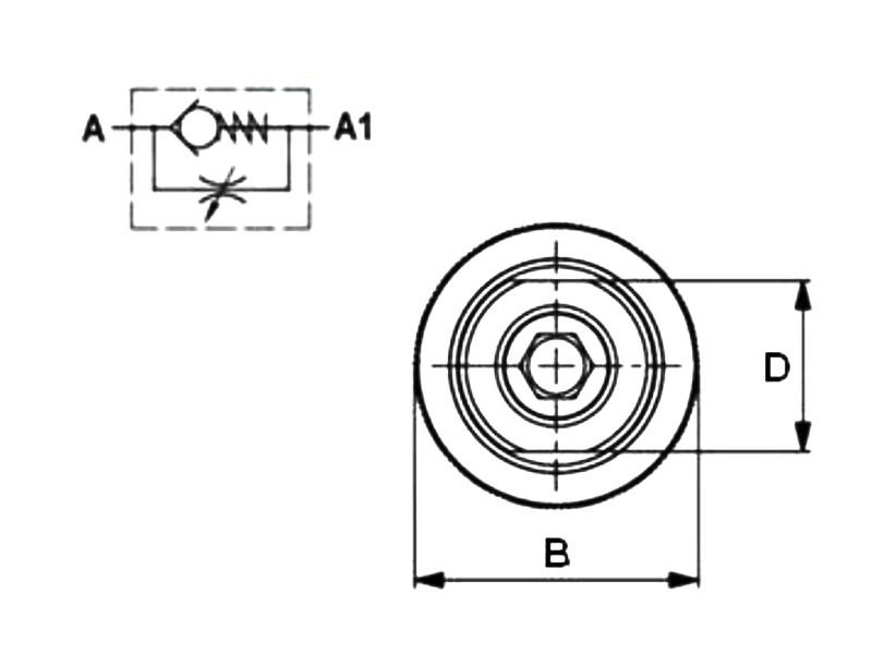
Technische Daten Drosselrückschlagventil:- Maximaler Volumenstrom: 45l/min
- Maximaler Druck: 310bar
- Anschlussgewinde Eingang/ Ausgang R1: 1/2"
- Maß A: 80mm
- Maß B: 46mm
- Maß C: 7mm
- Maß D: 30mm
Das Drosselrückschlagventil kompakte Bauform ermöglicht einen stufenlos einstellbaren/ reduzierten Volumenstrom in eine Flußrichtung. In die andere Flußrichtung strömt der Volumenstrom ohne Reduzierung.
Kundenrezensionen:
Schreiben Sie die erste Kundenrezension!
Unsere Kunden haben unseren Onlineshop bei www.kaeufersiegel.de mit 4.89 von 5 Sternen bewertet - basierend auf 656 Bewertungen
Übersicht | Artikel 7 von 8 in dieser Kategorie« Erster | « vorheriger | nächster » | Letzter »

